詳細說明
ZJHP精小型氣動薄膜單座調節閥主要是用于調節各種氣體及液體介質流量、壓力等參數的常用氣動調節閥型號,由氣源驅動,配用定位器等附件,接收控制系統發出的電流或電壓模擬信號,調節閥門的開度,達到對工況的自動控制。
一、ZJHP精小型氣動薄膜單座調節閥概述
ZJHP氣動薄膜調節閥是新一代的小型氣動單座調節閥,是綜合國內外先進技術開發的具有九十年代國際先進水平的新型氣動調節閥。閥體有單座閥和套筒閥兩種,是當今調節閥的發展方向。
氣動薄膜調節閥由多彈簧氣動薄膜執行機構和頂導向式直通低流阻單座閥組成。具有結構緊湊、重量輕、動作靈敏、流體通道呈S流線型、壓降損失小、閥容量大、流量特性精確,配用電-氣閥門定位或氣動閥門定位器,可實現對工藝管路流體介質的自動調節控制,廣泛應用于精確控氣體、液體、蒸汽等介質的工藝參數如壓力、流量、溫度、液位等參數保持在給定值。如使用現場沒有氣源,在工況允許的情況下可以選擇電動直通調節閥代替使用。
二、ZJHP氣動薄膜調節閥結構特點
1.ZJHP氣動薄膜調節閥是自動化控制系統中儀表的執行單元,采用電-氣閥門定位器,以電信號和壓縮空氣為動力,接受控制系統輸入的0-10mA DC或4-20mA DC電流信號,由調節器將壓縮空氣,轉換成氣源壓力信號輸入輸出,可實現分程控制(段幅信號),從而改變閥門開度位移,達到對流體介質的工藝參數精確調節控制
2.ZJHP氣動薄膜調節閥按作用模式可分;正作用:氣閉式-常開型(當信號壓力增大時閥位向下位移),《B型》反作用:氣開式-常閉型(當信號壓力增大時閥位向上位移),《K型》
3.氣動小型調節閥為直通單座鑄造球形閥,單座柱塞型閥芯,特別適用于允許泄漏小且閥前閥后壓差不大的工作場合。
4.直通低流阻單座為無底蓋頂導向結構,它只有一個閥座和一個柱塞形閥芯具有密閉性能好、泄漏量小、動作靈敏、流體通道呈S流線型、壓降損失小、閥容量大、流量特性精確、可調比大,閥芯導向部分的導向面積大,具有抗振性能強等特點,適用于對介質泄漏量及調節精度有嚴格要求的場合,但由于閥結構上的原因,閥桿上的不平衡力較大,尤其在公稱通徑大的工況下更為明顯,因而該閥只適合于工作壓差較小的場合。
5.通過改變閥芯形狀的設計;不同的閥芯形狀會得到不同流量特性:等百分比(對數)性、直線性、快開特性。
6.根據使用工況要求,閥芯可設計制作成;軟質密封結構(適用于-20~+120℃溫度范圍內要求嚴密閉性的酸堿類、氣體類等介質)。
本系列產品廣泛應用于化工、石油、冶金、電站、輕紡、造紙和制藥等工業生產過程的自動化調節和遠程控制。有標準型、調節切斷型、波紋管密封型、夾套保溫型等品種。產品壓力等級有PN1.6 4.0 6.4MPa;公稱通徑DN15~300mm;小閥芯DN6mm。適用流體溫度有-60~+450℃;按溫度高低配用不同閥蓋可分常溫型、高溫型和低溫型。
三、ZJHP氣動薄膜調節閥執行機構
ZHA/B型多彈簧氣動薄膜執行機構由膜片、壓縮彈簧、托盤、推桿、支架、軸套、膜蓋等主要零件構成。是針對老式的ZMA/B型單彈簧氣動薄膜執行機構存在的尺寸大、笨重、深波紋膜片不可靠等問題設計開發的新型氣動薄膜執行機構,其膜蓋盤、限制件等零件均采用鋼板沖壓成型。膜片形狀較復雜,采用特殊的壓制工藝,使爆破強度達22kg/cm2以上。多彈簧形式改善了彈簧制造的工藝性,有利于不同彈簧范圍的組配。可調零功能則提高了線性精度。表面處理采用環氧靜電粉未噴涂,具有較高牢度和耐腐蝕性。具有受力均勻、穩定性好、尺寸小,重量輕等優點。以壓縮空氣為能源動力,接受電-氣閥門定位器或電磁閥輸入的氣源壓力信號,此壓力作用在膜室膜片上產生推力壓縮彈簧組件,并使推桿位移,當推桿與彈簧組被壓縮后產生的反力相平衡時,閥桿就穩定在相應行程上。依照力平衡原理,行程大小與壓力信號輸入大小成一定的比例關系,從而達到閥門閥芯準確定位。
四、ZJHP氣動薄膜調節閥零件材質
閥體、閥蓋:HT200,ZG230-450 ZG1Cr18Ni9Ti
閥芯、閥座:1Cr18Ni9Ti,司太萊合金堆焊
軟密封閥芯:增強聚四氟乙烯
填 料:聚四氟乙烯、柔性石墨
波 紋 管:1Cr18Ni9Ti
墊 片:橡膠石棉板、10、1Cr18Ni9Ti、石棉纏繞墊片
膜 蓋:A3
波 紋 膜 片:丁晴橡膠夾增強滌綸織物
彈 簧:60Si2Mn
閥桿、推桿:2Cr13、1Cr18Ni9Ti
襯 套:2Cr13
五、ZJHP氣動薄膜調節閥性能參數
公稱通徑DN (mm ) ( 閥芯直徑 dn ) | 20 | 25 | 32 | 40 | 50 | 65 | 80 | 100 | 125 | 150 | 200 | |||||
(10) | (12) | (15) | (20) | |||||||||||||
額定流量 系數Kv | 直線 | 1.8 | 2.8 | 4.4 | 6.9 | 11 | 17.6 | 27.5 | 44 | 69 | 110 | 176 | 275 | 440 | 690 | |
等百分比 | 1.6 | 2.5 | 4.0 | 6.3 | 10 | 16 | 25 | 40 | 63 | 100 | 160 | 250 | 400 | 630 | ||
額定行程 L (mm) | 16 | 25 | 40 | 60 | ||||||||||||
膜片有效面積 Ae (cm2 ) | 280 | 400 | 600 | 1000 | ||||||||||||
信號范圍 Pr (kPa) | 20 ~ 100 、 40 ~ 200 | |||||||||||||||
氣源壓力 Ps (MPa) | 0.14 ~ 0.4 | |||||||||||||||
固有流量特性 | 直線、等百分比 | |||||||||||||||
固有可調比 | 50 | |||||||||||||||
允許泄漏量 | 硬閥座: IV 級 (10 -4 閥額定容量 ) 軟閥座: VI 級 | |||||||||||||||
公稱壓力 PN(MPa) | 1.0 、 1.6 、 4.0 、 6.4 | |||||||||||||||
工作溫度t ( ℃ ) | 常溫型 | -20 ~ 200 、 -40 ~ 250 、 -60 ~ 250 | ||||||||||||||
散熱型 | -40 ~ 450 、 -60 ~ 450 | |||||||||||||||
高溫型 | 450 ~ 560 | |||||||||||||||
低溫型 | -60 ~ -100 、 -100 ~ -200 、 -200 ~ -250 | |||||||||||||||
*本產品性能指標貫徹GB/T4213-92標準
六、ZJHP氣動薄膜調節閥性能指標
項目 | 指標值 | 項目 | 指標值 | ||||
基本誤差% | 不帶定位器 | ±5.0 | 始 | 氣關 | 不帶定位器 | 始點 | ±5.0 |
帶定位器 | ±1.0 | 終點 | ±2.5 | ||||
回差% | 不帶定位器 | ≤3.0 | 帶定位器 | 始點 | ±1.0 | ||
終點 | ±1.0 | ||||||
帶定位器 | ≤1.0 | 氣開 | 不帶定位器 | 始點 | ±2.5 | ||
終點 | ±5.0 | ||||||
死區% | 不帶定位器 | ≤3.0 | 帶定位器 | 始點 | ±1.0 | ||
終點 | ±1.0 | ||||||
帶定位器 | ≤0.4 | 允許泄漏量L/h | 1×10-4×閥額定容量 | ||||
額定行程偏差% | ±2.5 | ||||||
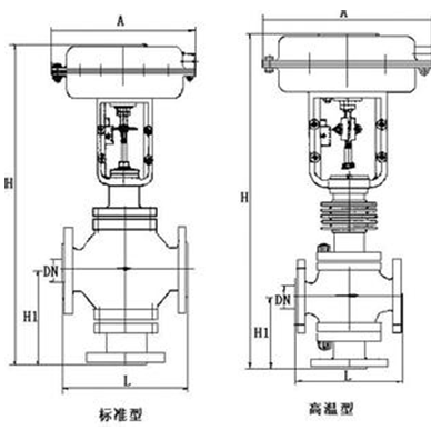
七、ZJHP氣動薄膜調節閥外形尺寸
DN | L | H | H1 | 質量(kg) | φA | |||||||
PN16 | PN40 | PN64 | 普通 | 高溫 | PN6 | PN16 | PN40 | PN64 | PN6 | PN40 | ||
20 | 194 | 206 | 398 | 548 | 45 | 52 | 65 | 19 | 23 | 285 | ||
25 | 185 | 197 | 210 | 410 | 560 | 50 | 57 | 70 | 20 | 24 | ||
40 | 222 | 235 | 251 | 455 | 620 | 65 | 75 | 85 | 26 | 35 | ||
50 | 254 | 267 | 286 | 457 | 627 | 70 | 82 | 90 | 30 | 40 | ||
65 | 276 | 292 | 311 | 610 | 790 | 80 | 92 | 100 | 47 | 66 | 360 | |
80 | 298 | 317 | 337 | 622 | 807 | 95 | 100 | 107 | 55 | 78 | ||
100 | 352 | 368 | 394 | 640 | 850 | 105 | 110 | 117 | 125 | 65 | 99 | |
150 | 451 | 473 | 508 | 870 | 1130 | 132 | 142 | 150 | 172 | 130 | 160 | 470 |
200 | 600 | 650 | 890 | 1150 | 160 | 170 | 187 | 207 | 175 | 250 | ||
250 | 730 | 775 | 1203 | 1523 | 187 | 202 | 225 | 235 | 350 | 470 | 580 | |
300 | 850 | 900 | 1234 | 1554 | 220 | 230 | 257 | 265 | 500 | 660 | ||
八、ZJHP精小型氣動薄膜單座調節閥訂貨須知
1、氣動薄膜調節閥公稱通徑(mm)、公稱壓力(MPa)。2、氣動薄膜調節閥流量系數(Kv)。3、氣動薄膜調節閥工作溫度及范圍。4、氣動薄膜調節閥作用方式。5、氣動薄膜調節閥閥體、閥內件及填料材質。6、氣動薄膜調節閥所配附件。
上一個:氣動流量調節閥 下一個:氣動薄膜耐高溫調節閥



相關新聞
相關產品
自力式大口徑調節閥
氣動開關/切斷球閥
氣動偏心半球閥
氣動O型切斷閥